IT eszközök technológiája - 5. előadásMemóriák
Letöltés PDF-ként
Áttekintés
- Félvezető memóriák alapfogalmai
- M x N memória
- M db N bit széles memóriaszó
- M általában 2 hatvány, N = 1, 2, 4, 8, ...
- Tradicionális felosztás
- ROM (csak olvasható) vs RAM (írható-olvasható)
- mostanra elmosódtak a határok
- Új fajta csoportosítás
- írhatóság és adatmegőrzési idő szerint (így jobb!)

- Tipikus memória struktúra
- memória mátrix
- 1 sorban → szóvonallal aktiváljuk
- aktivált cellák → bitvonalra másolják tartalmukat
- cím másik részével a bitvonalak közül választunk
- néhány 100mV a logikai szint távolsága → érzékelő erősítő állítja helyre a rail-to-rail jelet
- még 2 hierarchiai szint → blokk csoport és azon belül blokk
- hozzáférés hierarchikus
- kívülről banknak látszik
RAM memóriák
Statikus RAM

- cellát 6 tranzisztor alkotja
- 2 bitvonal van, ellentétes logikával (differenciális logika)
- 2 keresztbe csatolt inverter → tárolásért felel
- beírás/olvasás 1-1 tranzisztoron keresztül (mint az SR latch-nél)
- M3 és M4 tranzisztorok → elérési tranzisztorok
Dual port SRAM
- 2 szóvonal van (wordA, wordB)
- olvasásnál egy időben két cellából is lehetséges
- íráshoz viszont mindkettő szóvonal kell (továbbra is csak 1 írás lehet egyszerre)
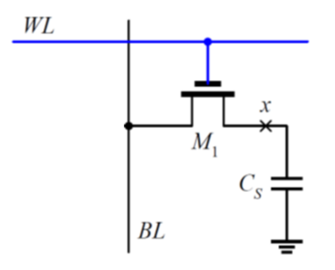
Dinamikus RAM

- nagyobb kapacitású, jóval lassabb a statikus ramnál
- 3 dimenziós struktúra
- Stack kapacitás → tranzisztor felett készül el egy vékonyréteg kapacitás
- Árok kapacitás → tranzisztor mellett árkot marnak a szilíciumba, ebbe alakítják ki a tároló kapacitást
- információt a Cs kapacitás tárolja, M1 kapcsol a bitvonalra
- tároló kapacitás nagyon pici
- írás
- bitvonalra logikai értéket rakunk
- szóvonallal aktiváljuk → tároló kapacitás vagy kisül vagy feltölt
- olvasás
- bitvonalat a tápfeszültség felére előtöltjük
- szóvonal aktiválódik → rákapcsolódik a bitvonalra a tároló kapacitás töltése

- az érzékelő ezt állítja helyre
- olvasás destruktív, a kiolvasott értéket vissza kell írni!
- frissítés → erre van szükség, mert a töltés szivárog
- +30 fok hőmérséklet → 10x-es szivárgás
- egyszerre 1 sort frissítenek → tRC = 100-200ns
- burst refresh: összes sort egyszerre frissíti (csökkenti a memória sávszélességét :( )
- distributed (hidden) refresh: számláló figyeli az utolsó frissített sort, mindig a soron következő kerül frissítésre
Beágyazott DRAM

- 3 tranzisztorod dinamikus RAM technológia
- M1-M2 tranzisztor szórt kapacitása tárol
- M1 szolgál a beírásra
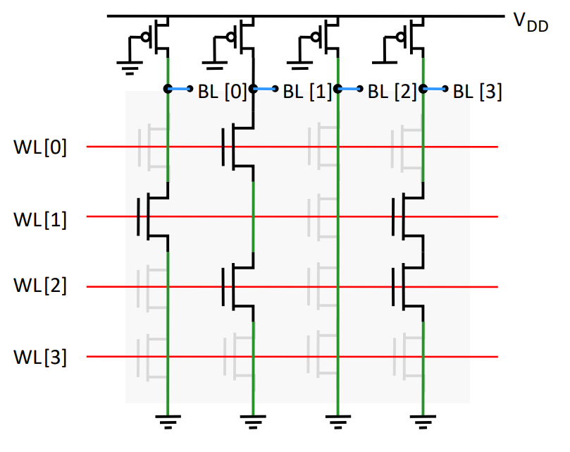
Tartalommal címezhető memóriák (CAM)

- fordított feladat → adathoz milyen cím tartozik
- 1 órajel alatt a keresett információ címének előállítása
- search data register -t hasonlítja össze a párhuzamosan tárolt információval
- 1 match vonal lesz csak aktív → innen van meg a cím
- használat pl: virtuális page cím - fizikai page cím párosítása

- megvalósítás
- SRAM kiegészítése 10 tranzisztoros CAM cellává
- keresett bit a bitvonalra
- ha megegyezik a tárolt bittel → nincs áramút a match line és a föld között
- ha nem egyezik meg a tárolt bittel → áramút alakul ki
- keresés teljes soron egyszerre
- negatívum: nagy fogyasztású
ROM memóriák
A maszk programozott ROM
- információ a gyártáskor belekerül (maszk programozott)
- nagy sorozatú gyártásnál éri csak meg → egy bit kis területet foglal → bitre vetített ár kedvező
Pszeudo NMOS kapu
- pMOS mindig nyitott → egy ellenállással modellezhető
- így is működik, csak az alacsony szint nem 0 hanem csak ahhoz közeli kicsi érték
- negatívum: statikus fogyasztása van, ha a kimenet 0
- pozitívum: 2n helyett n+1 tranzisztor elég
Maszk programozott NOR ROM

- elemi cella egy nMOS tranzisztor
- információ = jelen van e egy adott tranzisztor elektromos szempontból vagy sem
- aktivált tranzisztor → bitvonalat a földre köti
- adott bitvonalra nézve = sokbemenetű pszeudo nMOS NOR kapu
- bemenetek közül egy lehet csak aktív
- tranzisztot vezet = 0
- egyébként = 1
Maszk programozott NAND ROM

- tranzisztorokat sorba kapcsoljuk
- információ = adott helyen a tranzisztort rövidre zártuk e fémezéssel vagy sem
- kiolvasáskor → minden szóvonalat aktiválunk, kivéve a kérdéses sort
- adott helyen nincs tranzisztor → kimenet = 0 (NAND összes további tranzisztora vagy vezet vagy rövidzárt)
- adott helyen van tranzisztor → kimenet = 1
OTP ROM
- firmware
- on-chip konfiguráció kialakítása
- pl kalibrálási konstansok, titkosítási kulcsok, chip azonosítók
- programozható logikai eszközök
- információtároló elem → fuse vagy antifuse
- fuse: rövidzár, kiégetés után nem vezet
- antifuse: kiégetés után vezet, égetés nélkül szakadást okoz.
EEPROM
- információt tárolja → MOS tranzisztor küszöbfeszültsége
- küszöbfeszültség változtatásával programozható
- kiolvasás
- adott tranzisztor vezet vagy nem vezet (SLC)
- adott feszültség mellett jól megkülönböztethető áramok folynak (MLC, TLC, QLC)
- küszöbfeszültség: az a gate-source közé kapcsolt feszültség, amikor a vezetőképesség inverziós csatorna létrejön
- függ a szigetelőben lévő töltésektől
- konstrukciók
- lebegő gate → sehova nem kötött poli-Si
- többrétegű szigetelő anyagok határfelülete, töltéscsapdákat tartalmaz
- programozás fizikai elve → elektronok mozgatása töltés-tároló eszközre ami egy vékony szigetelővel van elválasztva
- lavina letörés: nagymennyiségű, nagyenergiájú forró elektron jelenik meg, aminek energiája elég hogy áthaladjon a szigetelőn
- alagút jelenség: megfelelő térerősség hatására egy keskeny szigetelőn biztos valószínűséggel keresztülhalad az elektron
- negatívum: ha az elektron a szigetelőben ragad → nehezebben változtatható küszöbfeszültség → tranzisztor elhasználódik
- régi technológiák:
- EPROM: programozás lavinaletöréssel, törlés UV fény segítségével
- EEPROM: programozás-törlés alagútjelenséggel
FLASH EEPROM
- legsikeresebb memóriatípus jelenleg
- programozás: lavinaletöréssel vagy alagútjelenség segítségével
- törlés: alagútjelenség segítségével (nagyobb blokkonként történik)

- lebegő gate-et vékony oxid választja el a szubsztráttól
- 2 elrendezés
- NOR elrendezés
- nagy teljesítménnyel kell programozni
- lassú a programozás és törlés
- gyors az olvasás
- program memória
- NAND elrendezés
- kis cellaméret, nagy sűrűség, kis teljesítménnyel programozható
- gyorsabb törlés
- háttértárolás
Új memória architektúrák