IT eszközök technológiája - 3. előadás¶
Komplex kapuk¶
- Tranzisztor szinten tudunk bonyolultabb logikai függvényeket megvalósítani
- Általában max 4 bemenettel, az ÉS illetve VAGY függvényeket kombináljuk
- pl:
- OAI21 → Y = komplementer( (A + B) C )
- AOI22 → Y = komplementer( AB + CD )
- Általában n bemenet és/vagy kombinációja 2n tranzisztor segítségével megvalósítható
- bemenet ponált és negált változata is rendelkezésre áll
- Többszintű realizációhoz képest
- késleltetése kedvezőbb
- kevesebb tranzisztort tartalmaz
- hazárdmentes
Példa: Y = komplementer( (A + B) C )¶
- pull-down network tervezése:
- minden 0 értékhez a kimenet és föld között kell kapcsolat
- függvényben szereplő összegeknek párhuzamosan, szorzatoknak sorba kapcsoltan kell szerepelniük

- pull-up network tervezése:
- minden 1 értékhez a kimenet és a távfeszültség között kell kapcsolat
- Bool algebrával kiszámolt érték:

- Reciprok hálózat megközelítésből: pull-down ellenkezőjére kötünk mindent (sorosból párhuzamos, párhuzamosból soros)
-
megoldás:
-
ha kapuból csinálnánk:
- nagyobb kérleltetése lenne, több tranzisztor kéne
Példa: teljes összeadó¶
- kritikus út → carry (az átvitt érték mindig kell a következő helyiértékhez)
- megodás pl: előbb számítunk átvitelt, aztán összeget
- COUT = AB + C(A+B) → így a C-t a lehető legkevesebb helyre kell bekötni
- S = ABC + (A + B + C) kompl(COUT)
CMOS transzfer kapu¶
- jelfolyam útjába helyezett kapcsoló
- n és p típusú tranzisztor kapcsolásából áll, amikre ellentétes jelet kötünk
- C = 0 → szakadás
- C = 1 → vezetés
- kiválasztók-ra nagyon jó (kétbemenetű multiplexer)

- pozitívum: komplex kapus 8 szükséges tranzisztor helyett 4 is elég!
Órajel vezérelt CMOS¶
- Háromállapotú (tri-state kapu)
- EN = 0 → a kimenet lebeg (nagyimpedanciás)
- EN = 1 → a kimenet a bemenet inverze

CMOS tárolók¶
- Latch → szintvezérelt
- EN = 1 → átlátszó
- bemeneti változás a kimenetre jut (kis késleltetés után)
- Flip-flip → élvezérelt
- beírás az órajel fel vagy lefutó élére történik
Tárolás alapelve¶
- két állapotú (bistabli) áramkör alapja: két gyűrűbe kapcsolt inverter
- D-latch
- komplex kapukkal, 12 tranzisztorból

- transzfer kapuval, 8 tranzisztorból

- EN = 1, bal kapu nyitva, D = Q, visszacsatoló (lenti) kapu zár
- EN = 0, bal kapu csukva (nincs írás), visszacsatoló ág él → létrejön a két gyűrűbe kapcsolt inverter
- komplex kapukkal, 12 tranzisztorból
- D-flipflop
- master-slave flip-flop két sorbakötött, ellenütemű órajellel vezérelt latch
- CP = alacsony szint, első tároló átlátszó
- CP = felfutó él, master nem átlátszó, tartalom slave-be íródik

- tsetup → órajel aktív éle előtt a mintavételezett adatnak stabilnak kell lennie
- tsetup > tPGTG + 2tPGINV (1 transzfer kapu és 2 inverter)
- thold → órajel aktív éle után ennyi ideig nem szabad megváltoznia
- tHOLD > tPGTG (míg a master transzfer kapuja elzáródik)
- aszinkron clear és set is megvalósítható → kétbemenetű NAND kapukkal
Nagysebességű CMOS logika¶
- statikus CMOS logika késleltetée: tpd ~ CV / I
- gyorsítás kapacitás csökkentésével, vagy az áram növelésével (közben méret is csökkenjen)
- logikai szint távolságának csökkentése → SCL = source-coupled logic
- differenciális logikai → két feszültségszint különbsgégének előjele adja a logikai értéket
- szórt kapacitás kihasználása logikai szint ideiglenes tárolására
- területet nyerünk, kapacitást csökkentünk
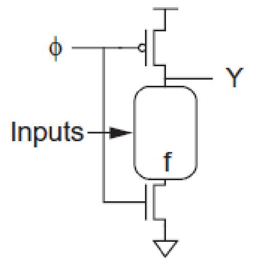
CMOS dominó logika¶
- csak pull-down network van
- kimenetet terhelő szórt kapacitást előtöltjük

- Φ = 0 → előtöltés tápfeszültségre
- Φ = 1 → kiértékelés (pull-down network az input alapján vagy lehúzza a kimenetet, vagy békén hagyja)
- előnyök:
- N bemenetű függvényhez N+2 tranzisztor szükséges
- gyorsabb → előző fokozatot kisebb kapacitás terheli
- hátrányok → kapuk összekapcsolásakor vigyázni kell
- kiértékeléskor egy rövid ideig 1 van akkor is, ha 0-nak kellene lennie (ez kinyitja a következő kapu tranzisztorát → töltés sérülés lesz)
- megoldás: inverteren keresztül kötjük a kimenetet a következő kapu bemenetére

- dominó logika 1,5x gyorsabb a CMOS-nál (csak pull-down network dolgozik benne)
Dinamikus D flip-flop¶
- 2db órajellel vezérelt invertert összekapcsolunk, ezeket ellentétesen vezéreljük
- info → master és slave közti szórt kapacitásban tárolódik
- következmény → van egy minimális órajel, amit használni kell (ha annál kisebb használunk, akkor elszivárog a kapacitás annyi idő alatt)
Az adatút elemei (már nem zh anyag!)¶
Összeadó¶
Ripple carry adder¶
- több bites számok összeadása → sorba kapcsolt teljes összeadók
- nem lesz túl gyors (egymásra várnak) → utolsó carry elkészülése + utolsó összeg elkészülése
- kritikus út = carry terjedése
- egy bizonyos bitszám felett túl lassú lesz

- gyorsítása:
- generate → G = AB
- propagate → P = A ⊕ B
Carry skip adder¶
- számítsuk ki egy blokkra a propagate-t és ezzel vezéreljünk egy multiplexert, ami vagy az előző fokozat átvitelét vagy a generált átvitelt teszi a kimenetre
- propagate = és kapu → könnyen kiszámítható
- késleltetés: O(N/K)
Carry-look-ahead¶
- fokozatonként történik a carry gyors kiszámítása, minden fokozatra P és G számítása
- késleltetés: P és G kiszámítása (részben párhuzamosan történik)
Carry-select¶
- fokozatonként kiszámolja az összeget átvitel és átvitel nélkül, amiből az előző fokozat átvitele választja ki a végeredményt egy multiplexer segítségével

